Fläkt RDKA (Rexonet) FTX aggregat
Ett FTX-aggregat med korsströmsvärmeväxlare som oftast placerades mellan köksskåpen ovanför spisen i kombination med en spiskåpa som monterades under aggregatet. Systemet var vanligt i villor och lägenheter på 1980- och
90-talet. Aggregatet krävde även en kondensavloppsanslutning för att hantera kondens från värmeväxlaren.
Swegon CASA R2
+ Jazz Spiskåpa
Genom att byta ut FTX-aggregatet mot ett modernt aggregat med en roterande värmeväxlare och energisparande EC-motorer, så kan du spara mer än 2200 kWh i energi per år. Samtidigt får du en betydligt bättre osuppfångningsförmåga i din spiskåpa. Aggregatet kräver ingen kondensavlopps-anslutning då en energieffektiv roterande värmeväxlare ej kondenserar ut fukt ur luften.
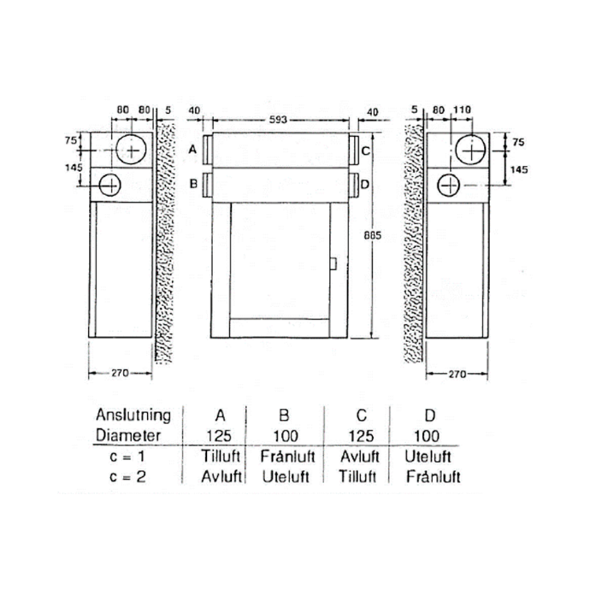
Måttskisser och k analernas placeringar
Den vänstra bilden visar ventilationsaggregatet Swegon CASA R2 (R-modell) i kombination med en Jazz-kåpa. Den högra visar Fläkt RDKA.
Mer info om produkterna:
Swegon CASA R2
Swegon CASA Jazz, spiskåpa
Hitta installatör
Behöver du hjälp att installera? Eller är du kanske osäker på vilka produkter och lösningar som är bäst för dina behov i hemmet? Tala med en erfaren auktoriserad installatör så får du hjälp.
